
D343H, D343W three eccentric multi-level hard-seal butterfly valve is widely used in metallurgy, electric power, petroleum, chemical, air, gas, combustible gases and pipes for corrosive media such as water supply and drainage.
Product Usage
D343H, D343W three eccentric multi-level hard-seal butterfly valve is widely used in metallurgy, electric power, petroleum, chemical, air, gas, combustible gases and pipes for corrosive media such as water supply and drainage.
Specification
Design and manufacture of standards: GB / T 12238-2008
Structure length standard: GB / T 12221-2005
Connection flange standard: GB / T 9113
Pressure temperature grade: GB / T 12224-2005
Test test standards: GB / T 13927-2008
Structural features
1, the hard seal butterfly valve with three eccentric hard seal structure, the valve seat and disc almost no wear, with the more the more tight sealing function.
2, the ring made of stainless steel, with the advantages of both metal seal and flexible seal, both in the case of low temperature and high temperature, have excellent sealing performance, with corrosion resistance, long service life and so on.
3, the butterfly plate sealing surface using welding cobalt-based hard alloy, sealing surface wear-resistant, long service life.
4, Large-format butterfly plate frame structure, high strength, large flow area, small flow resistance.
5, according to user needs, the valve supply network of hard-sealing butterfly valve can be designed to have a two-way sealing function, the installation of media flow from the restrictions, but also the impact of space location, can be installed in any direction.
6, the drive can be multi-station (rotated 90 ° or 180 °) installation, user-friendly.
Main performance specifications
|
Nominal diameter |
DN(mm) |
50-4000 |
||
|
Nominal pressure |
PN(MPa) |
2.5 |
4.0 |
6.4 |
|
test pressure |
Strength test |
3.75 |
6.0 |
9.6 |
|
Seal test |
2.75 |
4.4 |
7.04 |
|
|
Gas seal test |
0.6 |
0.6 |
0.6 |
|
Product Parts Materials
|
model |
D343H-16 |
D343W-16P |
D343W-16R |
|
|
Work pressure(MPa) |
1.6 |
|||
|
proper temperature(℃) |
≤425 |
≤200 |
||
|
Suitable media |
Water, oil or non-corrosive media |
Nitric acid medium |
Acetic acid medium |
|
|
material |
Body, disc |
WCB |
CF8/304 |
CF3M/316L |
|
Valve stem |
2Cr13 |
304 |
316L |
|
|
Body sealing surface |
Surfacing 507 |
- |
- |
|
|
Butterfly sealing surface |
304+Flexible graphite |
304+PTFE |
304+PTFE |
|
|
filler |
Flexible graphite |
PTFE |
PTFE |
|
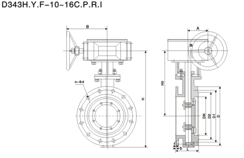
The main shape and connection size
|
PN |
DN |
L |
D |
D1 |
D2 |
Z-d |
b |
f |
H |
H0 |
|
2.5 |
50 |
108 |
165 |
125 |
99 |
4-18 |
20 |
2 |
170 |
130 |
|
2.5 |
65 |
112 |
185 |
145 |
118 |
8-18 |
22 |
2 |
265 |
210 |
|
2.5 |
80 |
114 |
200 |
160 |
132 |
8-18 |
24 |
2 |
310 |
233 |
|
2.5 |
100 |
127 |
235 |
190 |
156 |
8-22 |
24 |
2 |
343 |
242 |
|
2.5 |
125 |
140 |
270 |
220 |
184 |
8-26 |
26 |
2 |
385 |
254 |
|
2.5 |
150 |
140 |
300 |
250 |
211 |
8-26 |
28 |
2 |
445 |
580 |
|
2.5 |
200 |
152 |
360 |
310 |
274 |
12-26 |
30 |
2 |
510 |
297 |
|
2.5 |
250 |
165 |
425 |
370 |
330 |
12-30 |
32 |
2 |
569 |
339 |
|
2.5 |
300 |
178 |
485 |
430 |
389 |
16-30 |
34 |
2 |
653 |
375 |
|
2.5 |
350 |
190 |
555 |
490 |
448 |
16-33 |
38 |
2 |
730 |
420 |
|
2.5 |
400 |
216 |
620 |
550 |
503 |
16-36 |
40 |
2 |
810 |
463 |
|
2.5 |
450 |
222 |
670 |
600 |
548 |
20-36 |
46 |
2 |
850 |
495 |
|
2.5 |
500 |
229 |
730 |
660 |
609 |
20-36 |
48 |
2 |
940 |
566 |
|
2.5 |
600 |
267 |
845 |
770 |
720 |
20-39 |
58 |
2 |
1150 |
630 |
|
2.5 |
700 |
292 |
960 |
875 |
820 |
24-42 |
58 |
5 |
1195 |
727 |
|
2.5 |
800 |
318 |
1085 |
990 |
609 |
24-36 |
58 |
5 |
1268 |
810 |
|
4.0 |
50 |
108 |
160 |
125 |
100 |
4-18 |
20 |
3 |
170 |
130 |
|
4.0 |
65 |
112 |
180 |
145 |
120 |
8-18 |
22 |
3 |
265 |
210 |
|
4.0 |
80 |
114 |
195 |
160 |
135 |
8-18 |
22 |
3 |
310 |
233 |
|
4.0 |
100 |
127 |
230 |
190 |
160 |
8-23 |
24 |
3 |
343 |
242 |
|
4.0 |
125 |
140 |
270 |
220 |
188 |
8-25 |
28 |
3 |
385 |
254 |
|
4.0 |
150 |
140 |
300 |
250 |
218 |
8-25 |
30 |
3 |
445 |
280 |
|
4.0 |
200 |
152 |
375 |
320 |
282 |
12-30 |
38 |
3 |
510 |
297 |
|
4.0 |
250 |
165 |
445 |
385 |
345 |
12-34 |
42 |
3 |
569 |
339 |
|
4.0 |
300 |
178 |
510 |
450 |
408 |
16-34 |
46 |
4 |
653 |
375 |
|
4.0 |
350 |
190 |
570 |
510 |
465 |
16-34 |
52 |
4 |
730 |
420 |
|
4.0 |
400 |
216 |
655 |
585 |
535 |
16-41 |
58 |
4 |
810 |
463 |
|
4.0 |
450 |
222 |
680 |
610 |
560 |
20-41 |
60 |
4 |
850 |
495 |
|
4.0 |
500 |
229 |
755 |
670 |
612 |
20-48 |
62 |
4 |
940 |
566 |
|
4.0 |
600 |
267 |
890 |
795 |
730 |
20-54 |
62 |
5 |
1150 |
630 |
|
4.0 |
700 |
292 |
995 |
900 |
835 |
24-54 |
68 |
5 |
1195 |
727 |
|
4.0 |
800 |
318 |
1135 |
1030 |
960 |
24-58 |
76 |
5 |
1268 |
810 |
|
6.4 |
100 |
190 |
250 |
200 |
156 |
8-26 |
24 |
3 |
285 |
107 |
|
6.4 |
125 |
200 |
295 |
211 |
184 |
8-30 |
28 |
3 |
300 |
123 |
|
6.4 |
150 |
210 |
345 |
280 |
244 |
8-33 |
30 |
3 |
320 |
140 |
|
6.4 |
200 |
230 |
415 |
345 |
284 |
12-36 |
38 |
3 |
370 |
180 |
|
6.4 |
250 |
250 |
470 |
400 |
345 |
12-36 |
42 |
3 |
420 |
200 |
|
6.4 |
300 |
270 |
530 |
460 |
409 |
16-36 |
46 |
4 |
500 |
250 |
|
6.4 |
350 |
290 |
600 |
525 |
465 |
16-39 |
52 |
4 |
530 |
270 |
|
6.4 |
400 |
310 |
670 |
585 |
535 |
16-42 |
58 |
4 |
570 |
300 |
|
6.4 |
450 |
330 |
685 |
610 |
560 |
20-42 |
60 |
4 |
600 |
320 |
|
6.4 |
500 |
350 |
800 |
705 |
640 |
20-54 |
62 |
4 |
680 |
360 |
|
6.4 |
600 |
390 |
930 |
820 |
750 |
20-58 |
62 |
5 |
750 |
420 |
|
6.4 |
700 |
430 |
995 |
900 |
835 |
24-54 |
68 |
5 |
880 |
480 |
|
6.4 |
800 |
470 |
1135 |
1030 |
960 |
24-58 |
76 |
5 |
1000 |
600 |
Structure picture
If you have any enquiry about quotation or cooperation,please feel free to email us at info@cnlg-valve.com or use the following enquiry form. Our sales representative will contact you within 24 hours. Thank you for your interest in our products.