
J41H, J41Y, J41W stainless steel globe valve produced by Lianggong Valve Group Co., Ltd. Its opening and closing part is a cylindrical valve flap, the sealing surface is flat or conical, and the valve flap moves linearly along the center line of the fluid. The stainless steel cut-off valve is only suitable for full opening and full closing. It is generally not used to adjust the flow rate. It can be adjusted and throttled when customized.
Product Usage
J41H, J41Y, J41W stainless steel globe valve produced by Lianggong Valve Group Co., Ltd. Its opening and closing part is a cylindrical valve flap, the sealing surface is flat or conical, and the valve flap moves linearly along the center line of the fluid. The stainless steel cut-off valve is only suitable for full opening and full closing. It is generally not used to adjust the flow rate. It can be adjusted and throttled when customized.
Features
1. The structure is simple, the manufacture and maintenance are more convenient
2. Small working schedule and short opening and closing time
3. Good sealing performance, low friction between sealing surfaces and long service life
Performance Parameters
|
model |
J41H-16C~160C |
J41Y-16C~160C |
J41W-16P~160P |
|
|
Work pressure(MPa) |
1.6~16.0 |
|||
|
proper temperature(℃) |
≤425 |
≤150 |
||
|
Suitable media |
Water, steam, oil |
Weak corrosive medium |
||
|
material |
Body, bonnet |
Carbon steel |
Chrome nickel-titanium stainless steel |
|
|
Valve stem |
Chrome stainless steel |
Chrome nickel-titanium stainless steel |
||
|
Sealing surface |
Surfacing iron-based alloys |
Hardfacing alloy |
Body material |
|
|
filler |
Asbestos graphite, flexible graphite, PTFE |
|||
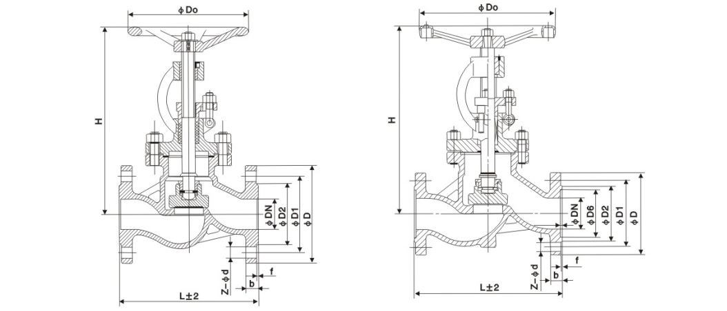
The main shape and connection size
|
Nominal diameter |
The main dimensions and connection dimensions |
|||||||
|
L |
D |
D1 |
D2 |
b |
Z-d |
H |
D0 |
|
|
J41H-16C |
||||||||
|
15 |
130 |
95 |
65 |
45 |
14-2 |
4-Φ14 |
170 |
120 |
|
20 |
150 |
105 |
75 |
55 |
14-2 |
4-Φ14 |
190 |
140 |
|
25 |
160 |
115 |
85 |
65 |
14-2 |
4-Φ14 |
205 |
160 |
|
32 |
180 |
135 |
100 |
78 |
16-2 |
4-Φ18 |
270 |
180 |
|
40 |
200 |
145 |
110 |
85 |
16-3 |
4-Φ18 |
310 |
200 |
|
50 |
230 |
160 |
125 |
100 |
16-3 |
4-Φ18 |
358 |
240 |
|
65 |
290 |
180 |
145 |
120 |
18-3 |
4-Φ18 |
373 |
240 |
|
80 |
310 |
195 |
160 |
135 |
20-3 |
8-Φ18 |
435 |
280 |
|
100 |
350 |
215 |
180 |
155 |
20-3 |
8-Φ18 |
500 |
300 |
|
125 |
400 |
245 |
210 |
185 |
22-3 |
8-Φ18 |
614 |
320 |
|
150 |
480 |
280 |
240 |
210 |
24-3 |
8-Φ23 |
674 |
360 |
|
200 |
600 |
335 |
295 |
265 |
26-3 |
12-Φ23 |
811 |
400 |
|
250 |
650 |
405 |
355 |
320 |
30-3 |
12-Φ25 |
969 |
450 |
|
300 |
750 |
460 |
410 |
375 |
30-3 |
12-Φ25 |
1145 |
580 |
|
350 |
850 |
520 |
470 |
435 |
34-4 |
16-Φ25 |
1280 |
640 |
|
400 |
980 |
580 |
525 |
485 |
36-4 |
16-Φ30 |
1452 |
640 |
|
J41H-25C |
||||||||
|
15 |
130 |
95 |
65 |
45 |
16-2 |
4-Φ14 |
170 |
120 |
|
20 |
150 |
105 |
75 |
55 |
16-2 |
4-Φ14 |
190 |
140 |
|
25 |
160 |
115 |
85 |
65 |
16-2 |
4-Φ14 |
205 |
160 |
|
32 |
180 |
135 |
100 |
78 |
18-2 |
4-Φ18 |
270 |
180 |
|
40 |
200 |
145 |
110 |
85 |
18-3 |
4-Φ18 |
310 |
200 |
|
50 |
230 |
160 |
125 |
100 |
20-3 |
4-Φ18 |
358 |
240 |
|
65 |
290 |
180 |
145 |
120 |
22-3 |
8-Φ18 |
373 |
240 |
|
80 |
310 |
195 |
160 |
135 |
22-3 |
8-Φ18 |
435 |
280 |
|
100 |
350 |
230 |
190 |
160 |
24-3 |
8-Φ23 |
500 |
300 |
|
125 |
400 |
270 |
220 |
188 |
28-3 |
8-Φ25 |
614 |
320 |
|
150 |
480 |
300 |
250 |
218 |
30-3 |
8-Φ25 |
674 |
360 |
|
200 |
600 |
360 |
310 |
278 |
34-3 |
12-Φ25 |
811 |
400 |
|
250 |
650 |
425 |
370 |
332 |
36-3 |
12-Φ30 |
969 |
450 |
|
300 |
750 |
485 |
430 |
390 |
40-4 |
16-Φ30 |
1145 |
580 |
|
350 |
850 |
550 |
490 |
448 |
44-4 |
16-Φ34 |
1280 |
640 |
|
400 |
980 |
610 |
550 |
505 |
48-4 |
16-Φ34 |
1452 |
640 |
Structure picture
All text, data and pictures in this article are for reference only. If you need to see more product performance, structure size, price and other details, please contact us.
If you have any enquiry about quotation or cooperation,please feel free to email us at info@cnlg-valve.com or use the following enquiry form. Our sales representative will contact you within 24 hours. Thank you for your interest in our products.