
J41H, J41Y, J41W GB Глянцевый клапан из нержавеющей стали - это открывающие и закрывающие куски цилиндрического клапана, уплотнительная поверхность плоская или коническая, клапан вдоль центральной линии жидкости для линейного перемещения. Запорный клапан GB применяется только к полностью открытому и полностью закрытому, обычно не предназначенному для регулирования потока, изготовленному на заказ для регулирования и дросселирования.
Использование продукта
J41H, J41Y, J41W GB Глянцевый клапан из нержавеющей стали - это открывающие и закрывающие куски цилиндрического клапана, уплотнительная поверхность плоская или коническая, клапан вдоль центральной линии жидкости для линейного перемещения. Запорный клапан GB применяется только к полностью открытому и полностью закрытому, обычно не предназначенному для регулирования потока, изготовленному на заказ для регулирования и дросселирования.
Особенности продукта
1, структура проста, удобна в изготовлении и обслуживании
2, небольшой график работы, время открытия и закрытия короткое
3, хорошее уплотнение, трение уплотнения поверхности, более длинняя продолжительность жизни
Исполнительный стандарт
Технические характеристики: GB / T 12235
Длина структуры: GB / T 12221
Фланцевое соединение: JB / T 79
Проверка и проверка: JB / T 9002
Идентификация продукта: GB / T 12220
Спецификации поставки: JB / T 7928
Параметры производительности
|
модель |
J41H-16C~160C |
J41Y-16C~160C |
J41W-16P~160P |
|
|
Рабочее давление (МПа) |
1.6~16.0 |
|||
|
Применимая температура (℃) |
≤425 |
≤150 |
||
|
Подходящие среды |
Вода, пар, масло |
Слабая агрессивная среда |
||
|
материал |
Тело, капот |
Углеродистая сталь |
Хром никель-титановая нержавеющая сталь |
|
|
Шток клапана |
Хром из нержавеющей стали |
Хром никель-титановая нержавеющая сталь |
||
|
Уплотнительная поверхность |
Сплавы на основе железа |
Сплавы на основе железа |
Материал корпуса |
|
|
упаковка |
Асбест графит, гибкий графит, ПТФЭ |
|||
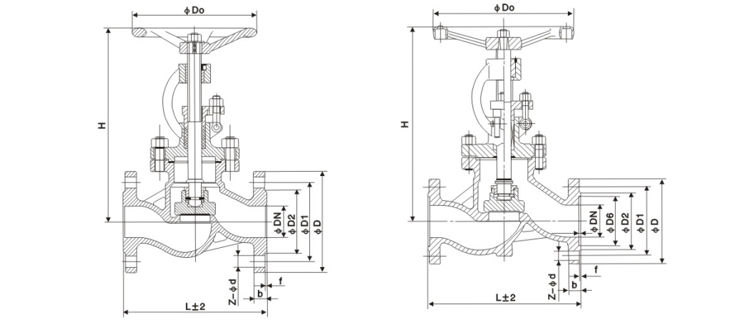
Основные размеры формы и соединения
|
Номинальный диаметр |
Основные размеры и размеры подключения |
|||||||
|
L |
D |
D1 |
D2 |
b |
Z-d |
H |
D0 |
|
|
J41H-16C |
||||||||
|
15 |
130 |
95 |
65 |
45 |
14-2 |
4-Φ14 |
170 |
120 |
|
20 |
150 |
105 |
75 |
55 |
14-2 |
4-Φ14 |
190 |
140 |
|
25 |
160 |
115 |
85 |
65 |
14-2 |
4-Φ14 |
205 |
160 |
|
32 |
180 |
135 |
100 |
78 |
16-2 |
4-Φ18 |
270 |
180 |
|
40 |
200 |
145 |
110 |
85 |
16-3 |
4-Φ18 |
310 |
200 |
|
50 |
230 |
160 |
125 |
100 |
16-3 |
4-Φ18 |
358 |
240 |
|
65 |
290 |
180 |
145 |
120 |
18-3 |
4-Φ18 |
373 |
240 |
|
80 |
310 |
195 |
160 |
135 |
20-3 |
8-Φ18 |
435 |
280 |
|
100 |
350 |
215 |
180 |
155 |
20-3 |
8-Φ18 |
500 |
300 |
|
125 |
400 |
245 |
210 |
185 |
22-3 |
8-Φ18 |
614 |
320 |
|
150 |
480 |
280 |
240 |
210 |
24-3 |
8-Φ23 |
674 |
360 |
|
200 |
600 |
335 |
295 |
265 |
26-3 |
12-Φ23 |
811 |
400 |
|
250 |
650 |
405 |
355 |
320 |
30-3 |
12-Φ25 |
969 |
450 |
|
300 |
750 |
460 |
410 |
375 |
30-3 |
12-Φ25 |
1145 |
580 |
|
350 |
850 |
520 |
470 |
435 |
34-4 |
16-Φ25 |
1280 |
640 |
|
400 |
980 |
580 |
525 |
485 |
36-4 |
16-Φ30 |
1452 |
640 |
|
J41H-25C |
||||||||
|
15 |
130 |
95 |
65 |
45 |
16-2 |
4-Φ14 |
170 |
120 |
|
20 |
150 |
105 |
75 |
55 |
16-2 |
4-Φ14 |
190 |
140 |
|
25 |
160 |
115 |
85 |
65 |
16-2 |
4-Φ14 |
205 |
160 |
|
32 |
180 |
135 |
100 |
78 |
18-2 |
4-Φ18 |
270 |
180 |
|
40 |
200 |
145 |
110 |
85 |
18-3 |
4-Φ18 |
310 |
200 |
|
50 |
230 |
160 |
125 |
100 |
20-3 |
4-Φ18 |
358 |
240 |
|
65 |
290 |
180 |
145 |
120 |
22-3 |
8-Φ18 |
373 |
240 |
|
80 |
310 |
195 |
160 |
135 |
22-3 |
8-Φ18 |
435 |
280 |
|
100 |
350 |
230 |
190 |
160 |
24-3 |
8-Φ23 |
500 |
300 |
|
125 |
400 |
270 |
220 |
188 |
28-3 |
8-Φ25 |
614 |
320 |
|
150 |
480 |
300 |
250 |
218 |
30-3 |
8-Φ25 |
674 |
360 |
|
200 |
600 |
360 |
310 |
278 |
34-3 |
12-Φ25 |
811 |
400 |
|
250 |
650 |
425 |
370 |
332 |
36-3 |
12-Φ30 |
969 |
450 |
|
300 |
750 |
485 |
430 |
390 |
40-4 |
16-Φ30 |
1145 |
580 |
|
350 |
850 |
550 |
490 |
448 |
44-4 |
16-Φ34 |
1280 |
640 |
|
400 |
980 |
610 |
550 |
505 |
48-4 |
16-Φ34 |
1452 |
640 |
Изображение структуры
Если у вас есть какие-либо вопросы по поводу предложения или сотрудничества, пожалуйста, свяжитесь с нами по электронной почте ниже info@cnlgvalve.com Или используйте следующую форму запроса. Наш торговый представитель свяжется с вами в течение 24 часов. Благодарим Вас за интерес к нашей продукции.